RS-775
電壓Voltage:6V/12V/24V/36V/48V
轉速Speed:1000-130000RPM
適用范圍:家用設備、辦公設備、印刷機、機器人手臂、移動門窗、行政器、電動工具、自動分揀機等等...
熱線電話: 0574-62199590
產品視頻
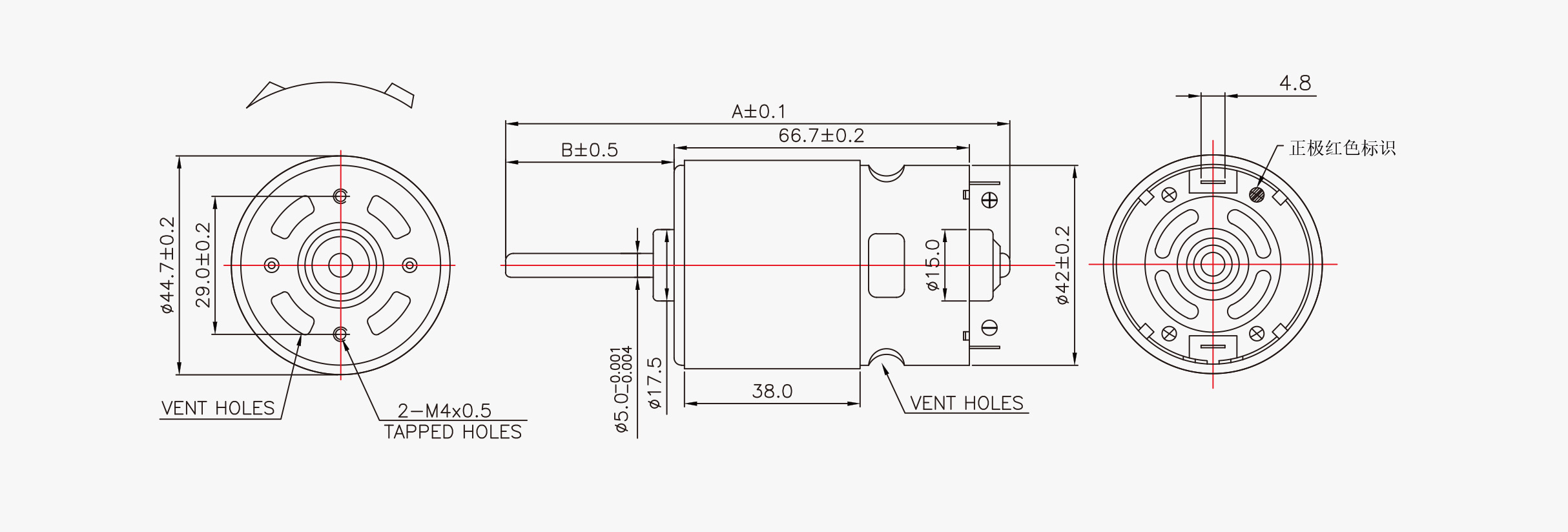
尺寸圖
性能曲線表
| Model | RS-775/24V6000 | Volt:24V |
Direction :CCW
|
|---|---|---|---|
| Torque | Speed(y) | Current(x) | |
| 0 | g-cm | 6000 | 0.25 |
| 6586 | g-cm | 5200 | 1.75 |
| 58600 | g-cm | 4000 | 4.32 |
| 257682 | g-cm | 2980 | 5.95 |
| 515365 | g-cm | 0 | 11.64 |
變速箱參數
|
齒輪箱減速級數 |
減速比 |
運轉力矩 |
齒輪效率 |
|---|
規格曲線圖
下一篇:
上一篇:RS-528



